大功率智能充电器的研究与设计(附图)
0 引言
由于铅酸蓄电池维护简单、价格低廉、供电可靠、使用寿命长,广泛作为汽车、飞机、轮船等机动车辆或发电机组的启动电源,也在各类需要不间断供电的电子设备和便携式仪器仪表中用作一些电器及控制回路的工作电源。随着经济的发展,大容量蓄电池的应用迅速增加,人们希望能快捷、安全地对蓄电池进行充电,而现有市场销售的充电器充电电流多为20A。为了满足人们对大功率充电器的需求,设计了一款基于LPC933 充电电流50A、充电功率740W、功能完善、可扩充的智能充电器。
1 充电器原理与设计
1.1 总体硬件设计
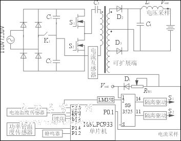
由于充电对象是铅酸蓄电池,设计中采用电流、电压负反馈的方法来达到恒流、恒压充电的目的,并对充电过程各种工作参量进行实时监测及智能多段式充电策略的精确控制,应用了LPC933单片机及相应的控制电路。充电器硬件原理图如图1 所示。

充电器电路主要包括主电路、信号控制两部分。主电路部分由桥式整流、PWM波形产生和直流滤波等组成。单相电源为220 V交流电时,开关K1闭和,单相电源为110 V时,开关K1断开,经全桥整流为300 V左右的直流电,由大电容进行低频滤波稳压,圆只MOS 器件S1、S2 组成半桥逆变器。PWM波形产生部分由SG3525根据反馈电压产生,通过给MOS 管S1、S2 加高频方波控制信号,使S1和S2 周期性地导通,可得到脉宽可调的高频交流电,经高频变压器耦合到副边,再经整流管D2和D3整流,L1 和C4滤波,在输出侧得到低纹波直流电压。显示模块是用来显示电池的当前电压与充电电流,显示状态由面板上实现按钮启动。
1.2 电路功能设计与分析
1.2.1 PWM 宽度设置
脉宽调制控制电路采用开关电源专用集成芯片SG3525, SG3525有两路驱动输出,OUT-A 与OUT-B 反向输出,可设置死区时间。控制过程主要是移动调节导通的占空比来调节输出功率。移相PWM的相移控制是通过误差放大器来实现的,误差放大器的同相端 E/A+(脚2)接由单片机控制输出的电压信号。反相端E/A-(脚1)接主电路输出电流或电压的反馈信号,电流和电压负反馈信号之间的切换由肖特基二极管D1 的导通截止实现。反馈信号和标准电位比较,差值经放大输出,送至移相脉宽控制器,控制OUT-A与OUT-B 之间的相位,最终调整波形占空比,使电压和充电电流稳定在预定值上。
1.2.2 电流采样
电流采样是大电流充电器的关键技术之一。通常采用电阻采样,但在50A 以上的大电流电路中是难于适用的。为此,设计了在高频变压器的初级线圈处增加环形电流互感器,匝数比为1:50,不仅达到精确电流采样的作用,还使采样功耗控制在0.5W以内。
1.2.3 限流保护措施
正常情况下,开关电源应工作在额定输出功率范围之内,避免电源工作在超出正常输出状态,但在实际工作中很难预测,故电路将高频变压器输出的电流经电流互感器耦合输出,再经二极管整流,电容滤波及电阻分压后,与比较器的同相端电压进行比较,当输出电压过高时,SG3525停止输出方波驱动信号,从而保护电路。
1.2.4 散热问题
研发初期发现,逆变器主要部件两个大功率开关管S1 和S2 及直流输出部分的全波整流管D2和D3,在充电电流大于30粤时出现过热问题,无法满足老化要求。经过硬件反复调试发现,从以下几个方面可以有效解决过热的问题。
(1)增加交流共模滤波电感,调试发现电网的高频干扰信号是造成逆变器开关管温升异常的重要原因;
(2)在直流输出端,增加滤波电感后,发现有效地减轻了开关管和全波整流管的负荷;
(3)增加散热面积。使开关管金属面通过导热胶片压在金属外壳上;
(4)风冷。
经过以上4 个方面的改进,测试证明充电电流达到60粤时能持续工作4h 以上,完全满足老化的设计要求。
2 充电控制技术
2.1 充电算法
充电控制技术是智能充电器系统中软件设计的核心部分。根据充电电池的原理,同种工艺的电池理想的充电曲线大致相似,而具体的电压数值有所差别的特点,应用信息技术进行控制,可达到最佳充电效果。为实现大电流充电,又要保护电池,蓄电池采用图2 所示的充电方式,充电阶段可以分成4 个阶段。

2.1.1 涓流短时充电
充电器开始工作后,首先检测蓄电池的电池电压,若电池电压低于9.5V,充电器不工作。若电池电压大于怨.5V而小于10.5V,说明蓄电池曾经过度放电,为避免对蓄电池充电电流过大,造成热失控,微处理器通过监测蓄电池的电压,对蓄电池实行稳定小电流涓流充电,激活蓄电池。在涓流充电阶段,电池电压开始上升,当电池电压上升到能接受大电流充电的阈值时,则转入恒流充电阶段。
2.1.2 恒流充电
该阶段为大电流恒流充电,电流值为I2 ,因蓄电池容量而异,一般为I2 越0.1C(C 为蓄电池组的容量),持续时间为T2,在恒流充电状态下,不断检测电池端电压,当电池电压达到饱和电压时,恒流充电状态终止。
2.1.3 恒压充电
该阶段为恒压充电,电压值为14.7V,它是蓄电池节数与蓄电池温度的函数,这时充电电流逐渐减小,恒压充电时,保持充电电压不变。充电电流不断下降,当充电电流下降到恒流状态下充电电流的1/10 时,终止恒压充电。
2.1.4浮充电
该阶段主要用来补充蓄电池自放电所消耗的能量,电池电压达到13.8V时,此时标志着充电过程结束。
2.2 充电终止控制
电池在充满电后,如果不及时停止充电,电池的温度将迅速上升。温度的升高将加速蓄电池板栅腐蚀速度及电解液的分解,从而缩短电池寿命、容量下降。为了保证电池充足电又不过充电,采用具有定时控制、温度控制和电池电压、电流控制功能的综合控制法。
3 软件设计
因为不同种类的电池有不同的充电特性,所以充电器要能根据具体电池的类型,控制不同的充电状态。在充电的关键阶段采用了模糊控制方法,这些通过程序控制实现。充电主程序流程图如图猿所示。程序具体实现过程为:单片机首先进行初始化,然后对蓄电池的电压进行测量,产生电压偏差和变化率信号,偏差及变化率信号进入模糊控制器后,经过模糊处理,输出电流信息,从而适时和正确地控制充电方式和过程。参照充电曲线图(图2),在充电过程中不断检测电池是否充满,当检测己经充满时,提示用户电池已充足,充电器自动进入浮充维护状态。若在充/供电过程时出现故障,LPC933 微控制器会及时停止输出并报故障。模糊处理和终止条件的判决为整个智能充电器的关键,关系着充电器性能的好坏。

4 充电器的硬件设计特点
根据生产商的销售市场主要面对欧美市场同时兼顾国内的特点,硬件设计采用跳线的方式使产品可以适应110~220灾的电源和12~36V的电池。110/220V的交换开关K1(如图1所示),可以实现110V的倍压整流和220V的全波整流的切换。
直流输出电路有可扩展端口,可以通过串、并联的方式,生产出不同规格的充电器。可控的充电电流,通过调节可调电阻RW1(如图1 所示),调高或降低负反馈的电压值,可以实现充电电流在园耀50 A范围内的任意设定。
5 结语
随着信息产业的迅猛发展以及移动电话、便携式计算机、电动自行车等高附加值产品的普及,越来越多的产品需要充电的同时,也要求尽可能地延长电池的寿命。Power Smart公司根据多次试验结果得出结论:若采用合适的充电方式,电池的使用寿命大约可提高30%。大量的实验表明:采用以LPC933 和SG3525 为核心的控制电路设计的智能充电器,能够实现对铅酸电池进行大电流的充电,并能够根据充电过程自动调整控制参数以及故障自诊断,可以实现充电过程的无人值守,延长电池的使用寿命。这种技术推广到市场,必将占有一定的市场份额,从而带来的社会效益和经济效益。
参考文献:
[1] 王鸿麟,景占荣. 通信基础电源(第二版)[M]. 西安电子科技大学出版社, 2001.
[2] 黄正佳,袁永斌. 智能电池模块[J]. 电源技术, 2002,26(5):379-382.
[3] 查全性. 试论高比性能电池进展物理[Z]. 1998.
[4] 张文修. 模糊数学基础[M]. 西安:西安交通大学出版社, 1984.
[5] 章卫国,杨向忠. 模糊控制理论与应用[M]. 西安:西北工业大学出版社, 1999.
[6] 刘增良.模糊技术与应用选编(3)[M]. 北京:北京航空航天出版社, 1998.
[7] 何新贵.模糊知识处理的理论与技术[M]. 北京:国防工业出版社, 1998.
[8] 余永权.模糊控制技术与模糊家用电器[M]. 北京:北京航空航天大学出版社, 2000.
[9] Cygnal Integrated Products Inc. C8051F单片机应用解析[M]. 北京:北京航空航天大学出版社, 2002.